Central Components Manufacturing
888.288.5152
[email protected]
Home
About
Products
Services
News
Contact
Get a Quote
Home
About
Products
Services
News
Contact
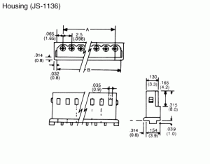
js-1136_diag01
Central Components Manufacturing
>
Products
>
js-1136_diag01
js-1136_diag01
Post navigation
prev article
Leave a Reply
Cancel Reply
You must be
logged in
to post a comment.